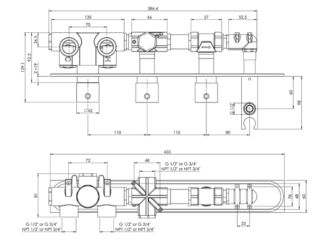
Ukryta termostatyczna bateria natryskowa na 2 wyloty, z uchwytem wylotowym i ręcznym
- Możliwość podłączenia, na przykład, pryszniców ręcznych i napowietrznych lub pryszniców ręcznych i pryszniców ściennych
- Bez korpusu montażowego korpus baterii jest zamocowany w ścianie
- W zależności od zastosowania i podłączenia akumulatora, jedno z dwóch gniazd musi być zawsze zaślepione za pomocą wtyczki (w komplecie wtyczka mosiężna)
- Pakiet nie zawiera ręcznego prysznica i węża
- Bezpiecznik - bezpieczny system przed poparzeniem
- Aby wyjąć wkładkę termostatyczną lub blaty, zdejmij uchwyt
Bateria jest fabrycznie ustawiona i testowana przy 3 barach na obu wejściach. W tych warunkach funkcjonalność baterii jest optymalna dla każdego rodzaju podgrzewania wody. Przy ciśnieniach powyżej 5 bar zalecamy instalację regulatora ciśnienia.
Ukryty kran oferuje czystą konstrukcję kabiny prysznicowej. Polecamy go do mniejszych pomieszczeń, jego mała głębokość nie ogranicza ruchu osoby pod prysznicem.
JAK DZIAŁA TERMOSTATYCZNA BATERIA?
Bateria termostatyczna jest fabrycznie ustawiona na temperaturę wody 38 ° C Gdy woda zostanie uwolniona przez obrót lewego lub środkowego uchwytu, wypłynie woda o temperaturze 38 ° C. Jeśli chcesz chłodnicę wody, po prostu obróć prawy uchwyt w prawo. Jeśli potrzebna cieplejsza woda, trzeba nacisnąć blokadę bezpieczeństwa STOP na prawym uchwycie, a następnie obrócić w lewo. Przepływ wody, niezależnie od tego, czy woda będzie płynąć z prysznica ręcznego, czy górnego, jest wybierany za pomocą lewego lub środkowego uchwytu. Kiedy otworzysz wodę, obróć lewy uchwyt w lewo, woda wypłynie z prysznica ręcznego. Aby przełączyć się na głowicę prysznicową, obróć lewy uchwyt do pozycji OFF i obróć środkowy uchwyt w lewo.
Bardzo nowoczesna seria Mastermax jest popularna dzięki kwadratowym i prostym kształtom. Tylko w tej serii możecie wybrać dźwignię baterii. Możecie zamówić efektowną dźwignię z drewnianym dekorem, która będzie pięknie komponować się z meblami lub płytkami. Drugą do wyboru jest chromowana matowa dźwignia, która jest bardzo elegancka i praktyczna w utrzymaniu.
Ostre krawędzie i oryginalna dźwignia baterii idealnie podkreślą nowoczesny wystrój łazienki







































































































































